Skip to product information
-
Media gallery
Media gallery
-
Media gallery
Media gallery
-
Media gallery
Media gallery
-
Media gallery
Media gallery
-
Media gallery
Media gallery
-
Media gallery
Media gallery
-
Media gallery
Media gallery
1
/
of
7
SKU 01951
Spindles for Small Shop Metalworkers
- Regular price
- $12.99 USD
- Regular price
-
- Sale price
- $12.99 USD
- Unit price
- / per
Login to view wholesale pricing and place order. If not a wholesale customer, please visit us at foxchapelpublishing.com to order.
-0%
Couldn't load pickup availability
Description
Description
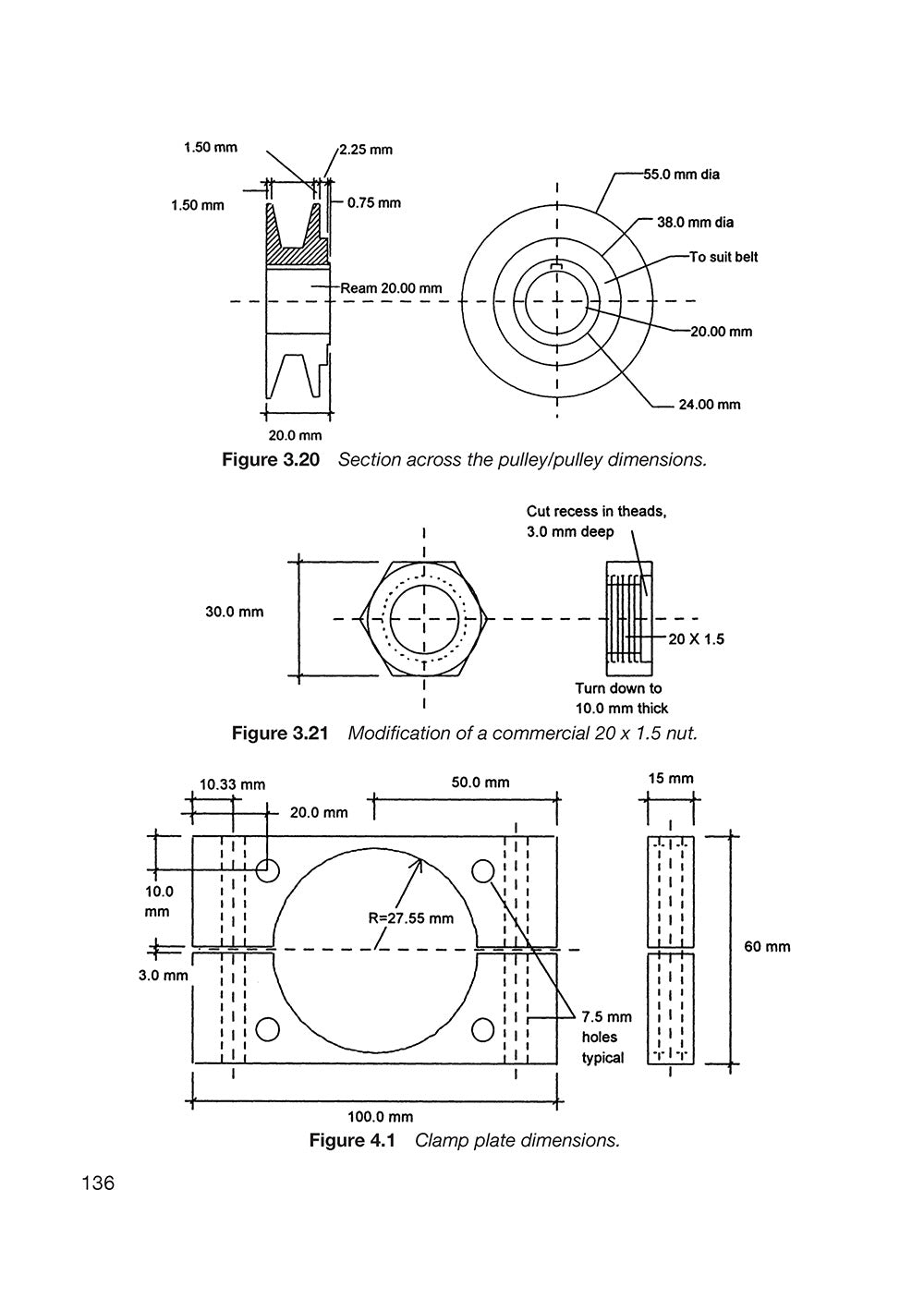
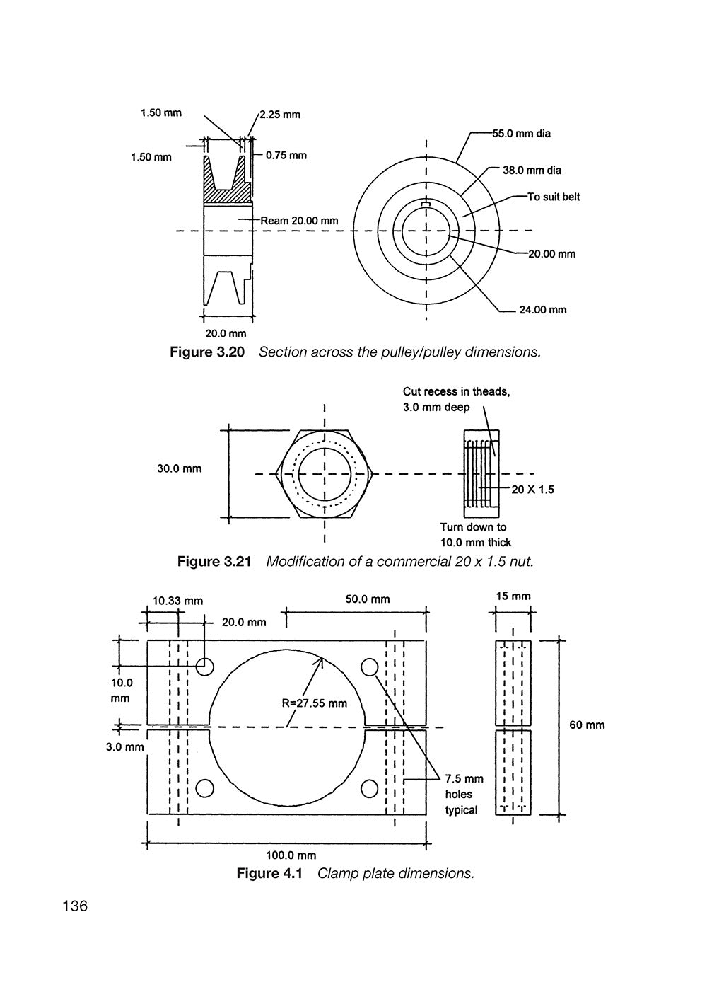
The possibilities of what you can achieve in your workshop are greatly enhanced if you have spindles to use with your lathe! A complete and crucial guide for amateur engineers, this book describes the design, construction, and use for a variety of useful spindles that range in shape and size. Featuring over 150 scale plans, line drawings, and a collection of helpful data tables, this metalworking guide clearly outlines several techniques for milling, grinding, and drilling spindles that are easy to make and have as few parts as possible. Author Harprit Singh Sandhu is an American engineer and the founder of Rhino Robots Inc. The chief designer of the ‘Rhino’ series of robots, he is also a machinist, woodworker, and clockmaker – the latter of which inspired him to design and build the spindles described in this book.
Details
Details
| Pages | 160 |
|---|---|
| Publish Date | 2022-02-01 |
| Size | 5.83" x 8.27" x 0.0" |
| Author | Harprit Sandhu |
| Product Form | Paperback / softback |

Notified by email when this product becomes available
PREVIEW
You May Also Like
Be in the Know
Learn about the newest releases, online promotions, special events and more!
